



Male Luer Slip Connector โ ISO 80369-7 Figure C.2 Reference Gauge for Female Luer Connectors
Male Luer Slip Connector delivers ISO 80369-7 Figure C.2 compliant reference testing for female Luer connectors in medical device manufacturing and certification laboratories.
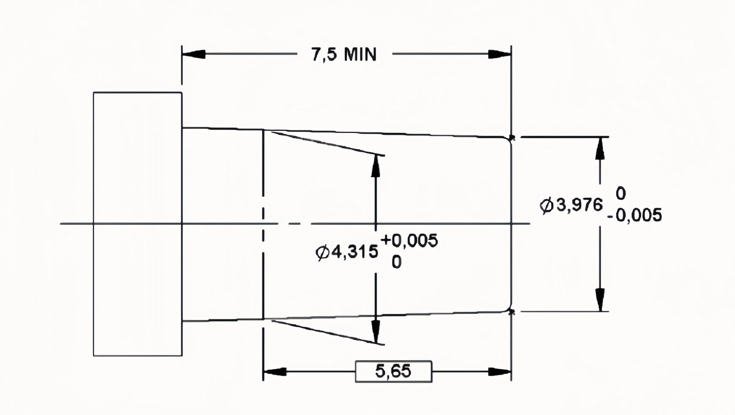
- Standard: ISO 80369-7 Figure C.2
- Material: Hardened steel, HRC58-62
- Taper: 0.06:1 (Luer slip)
- Minimum male taper length: 10.5 mm (testing) / 7.5 mm (performance)
- Chamfer: R max. 0.5 mm ร 45ยฐ
- Purpose: Leakage, axial separation, stress cracking and non-interconnectable testing
- MOQ: 1
- Delivery Period: 7 working days
Male Luer Slip Connector Description
Male Reference Luer Slip Connector For Testing Female Luer Connectors Leakage
The Male Luer Slip Connector is a precision reference gauge manufactured by KingPo. It is specifically designed to test female Luer connectors for leakage, separation from axial load, stress cracking and non-interconnectable characteristics in accordance with ISO 80369-7:2017 Figure C.2.
Precision Reference Gauge for Reliable Female Luer Testing
Medical device manufacturers and certification laboratories require highly accurate, traceable reference tools to verify the performance and safety of female Luer connectors used in intravascular and hypodermic applications. This gauge meets those requirements through its hardened steel construction (HRC58-62), exact 0.06:1 taper geometry and controlled dimensions, ensuring repeatable and standards-compliant test results for leakage, axial separation, stress cracking and non-interconnectable characteristics.
NOTE 1 Cone taper (0,06:1).
NOTE 2 R may be 0,5 mm (maximum) ร 45ยฐ chamfer. The minimum length of the male taper of 10,5 mm is required for testing non-interconnectable characteristics. A minimum length of the male taper of 7,5 mm may be used for the performance tests of Clause 6.

KingPo Factory Advantages
KingPo is an ISO 9001, ISO 14001, ISO 45001 and CE certified manufacturer, also holding SGS, PSE and RoHS certifications. With extensive experience serving global medical device OEMs, certification laboratories and regulatory bodies, we have delivered numerous ISO 80369-7 reference gauges worldwide. Every unit undergoes rigorous dimensional inspection and is supplied with comprehensive documentation, a full one-year warranty and lifetime technical support from our Dongguan facility.
Professional Construction & Technical Precision
Key features include:
- Precision-machined hardened steel (HRC58-62) for long-term dimensional stability
- Exact 0.06:1 Luer slip taper with controlled surface finish
- Minimum male taper length of 10.5 mm for full non-interconnectable and leakage testing
- Optional 7.5 mm length for performance testing per Clause 6
- Maximum chamfer R 0.5 mm ร 45ยฐ for accurate engagement
- Designed specifically for ISO 80369-7 Figure C.2 requirements
These technical elements ensure exceptional accuracy, repeatability and full compliance with ISO 80369-7 testing protocols.
Technical Parameters
| Parameter | Specification | Remark / Notes |
|---|---|---|
| Standard | ISO 80369-7 Figure C.2 | Male reference Luer slip connector |
| Material | Hardened steel | HRC58-62 for wear resistance |
| Taper | 0.06:1 | Luer slip geometry |
| Minimum Taper Length | 10.5 mm (testing) / 7.5 mm (performance) | Required for leakage and non-interconnectable tests |
| Chamfer | R max. 0.5 mm ร 45ยฐ | Controlled for accurate female connector engagement |
| Purpose | Testing female Luer connectors | Leakage, axial separation, stress cracking, non-interconnectable |
| Application | Intravascular and hypodermic applications | Per ISO 80369-7:2017 |
ISO 80369-7-Figure C.2 โ Male reference luer slip connector for testing female luer connectors for leakage, separation from axial load, stress cracking and non-interconnectable characteristics


The Male Luer Slip Connector supports critical stages in medical device development and quality assurance. Manufacturers use it to verify female Luer connector performance during design validation and production. Certification laboratories rely on its precision to generate traceable data for regulatory compliance. Quality teams perform routine batch verification to prevent field failures. The gauge also enables failure analysis by replicating exact test conditions, helping manufacturers ensure patient safety and regulatory approval.
Procurement Benefits
Precision-machined hardened steel construction and exact dimensional control deliver consistent, repeatable test results with minimal maintenance. This Male Luer Slip Connector strengthens female Luer connector validation per ISO 80369-7 and minimizes quality risks, ultimately reducing regulatory delays and enhancing product safety.
Male Luer Slip Connector Applications
- Female Luer Connectors โ Leakage and separation testing
- Intravascular and Hypodermic Devices โ Stress cracking and non-interconnectable verification
- Medical Device Manufacturers โ Routine quality control and design validation
- Certification Laboratories โ Traceable compliance testing per ISO 80369-7
- Regulatory Bodies โ Reference tool for standardized connector performance evaluation
Compliance & Regulatory Assurance
This equipment is strictly designed and manufactured in accordance with ISO 80369-7:2017 Figure C.2 as the male reference Luer slip connector for testing female Luer connectors. It provides a controlled, standardized tool to evaluate leakage, separation from axial load, stress cracking and non-interconnectable characteristics, thereby ensuring product safety and regulatory compliance in intravascular and hypodermic applications.
For comprehensive technical guidance on small-bore connectors in healthcare applications, please refer to the latest edition of ISO 80369-7 .
Technical Inquiry for Male Luer Slip Connector
KingPo specializes in medical device testing gauges and reference connectors. If you require precise ISO 80369-7 Figure C.2 testing for female Luer connectors, our engineering team can provide customized configurations and technical support.
The Core Value We Deliver to You
- Exact ISO 80369-7 Figure C.2 geometry and dimensions
- Hardened steel (HRC58-62) for long-term dimensional stability
- Precision-machined taper and chamfer for accurate testing
- Suitable for leakage, separation, stress cracking and non-interconnectable tests
- Full traceability and regulatory compliance support
Tell us your testing volume or specific female Luer connector requirements โ our engineering team will reply with tailored recommendations within 24 hours.
Detail Display
Male Luer Slip Connector FAQs
Related Products
Related News
The Ultimate Guide to Desktop Temperature Humidity Chamber in 2026: Precision High-Low Cycling, Environmental Adaptability, and Reliability Verification โ A […]
For plastic insulation frames, given the high heat generated by the copper wires and iron core, if the flame retardant […]
IP (Ingress Protection) ratings are enclosure protection standards developed by the International Electrotechnical Commission (IEC), primarily assessing the ability of […]
Shan Chao 1 , Qiang Xiaolong 2 , Liu jiming 3 , Zhang Chao 3 . (1. Heilongjiang Institute for […]