
BS 4573 Plug Socket Gauge โ Precision Go/No-Go Gauge Set for Plug and Socket Outlet Testing
BS 4573 Plug Socket Gauge performs precision testing of plugs and socket outlets for dimensional compliance.
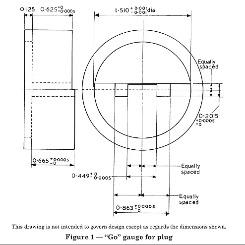
- Complete gauge set: “Go” gauge for plug (Figure 1), Maximum and Minimum “Go” gauge for socket-outlet (Figure 2 & 3), “Non-contact” test gauge (Figure 4), “Contact” test gauge (Figure 5), “Withdrawal pull” gauge (Figure 7)
- Precision steel construction: high-accuracy gauges manufactured to exact BS 4573 dimensions
- Multiple test functions: verifies plug insertion, socket dimensions, contact force and withdrawal force
- ISO 17025 calibration certificate: available for full traceability
- MOQ: 1
- Delivery Period: 7 working days
BS 4573 Plug Socket Gauge Description
BS 4573 Standard Steel Material Plug Socket Tester with Go Gauge for Socket Outlet
The BS 4573 Plug Socket Gauge is a complete set of precision gauges designed for testing and verification of BS 4573 plugs and socket outlets. Manufactured to exact BS 4573 specifications, the gauges ensure dimensional compliance and proper function of plugs and socket outlets, supporting electrical safety and quality control in the UK and international markets.
Testing Principle
The gauges are used to check critical dimensions and functional performance of plugs and socket outlets. “Go” gauges verify minimum/maximum dimensions, while “Non-contact” and “Contact” test gauges assess contact quality and withdrawal force, ensuring the plugs and socket outlets meet the mechanical and electrical requirements of the standard.
KingPo Factory Advantages
KingPo is an ISO 9001, ISO 14001, ISO 45001 and CE certified manufacturer, also holding SGS, PSE and RoHS certifications. We specialize in electrical safety testing equipment and have supplied BS 4573 plug socket gauges to manufacturers and certification laboratories worldwide. Each unit undergoes rigorous calibration and is delivered with complete documentation, on-site installation guidance, a full one-year warranty and lifetime technical support from our Dongguan facility.
Professional Construction & Technical Precision
Key features include:
- Precision steel construction for high-accuracy dimensional verification
- Complete set of reference gauges covering all critical BS 4573 test requirements
- Ergonomic and durable design for repeated laboratory use
- ISO 17025 calibration certificate available for full traceability
These elements ensure accurate, repeatable and standard-compliant testing results.
Technical Parameters
| Parameter | Specification | Remark / Notes |
|---|---|---|
| Standard | BS 4573 | Plugs and socket outlets dimensional verification |
| Gauge Set | Complete set including Figure 1 to Figure 7 | “Go”, Maximum/Minimum “Go”, “Non-contact”, “Contact” and “Withdrawal pull” gauges |
| Material | Precision steel | High-accuracy construction with long-term stability |
| Gauge Functions | Plug insertion, socket dimension, contact force, withdrawal force | Covers all mechanical and electrical verification requirements |
| Calibration | ISO 17025 available | Traceable certificate for laboratory use |
Gauge Specifications
| No. | Items | Description | Reference |
|---|---|---|---|
| 1 | “Go” gauge for plug | According to BS 4573-Figure 1 | Figure 1 |
| 2 | Maximum “Go” gauge for socket-outlet | According to BS 4573-Figure 2 | Figure 2 |
| 3 | Minimum “Go” gauge for socket-outlet | According to BS 4573-Figure 3 | Figure 3 |
| 4 | “Non-contact” test gauge | According to BS 4573-Figure 4 | Figure 4 |
| 5 | “Contact” test gauge | According to BS 4573-Figure 5 | Figure 5 |
| 6 | “Withdrawal pull” gauge | According to BS 4573-Figure 7 | Figure 7 |



The BS 4573 Plug Socket Gauge is used to verify dimensional accuracy and functional performance of plugs and socket outlets during product development, production quality control and third-party certification. It helps manufacturers ensure compliance with British Standard specifications and maintain high product quality.
Procurement Benefits
The gauge set offers precision steel construction, complete test coverage and ISO 17025 calibration in a durable design. It provides consistent, repeatable test results with minimal maintenance, making it a practical solution for plug and socket outlet testing.
BS 4573 Plug Socket Gauge Applications
- Plugs and socket outlets โ dimensional and functional verification per BS 4573
- Electrical accessory manufacturers โ quality control of plugs and socket outlets
- Certification laboratories โ compliance testing according to BS 4573
- R&D departments โ optimization of plug and socket outlet design
Compliance & Regulatory Assurance
This equipment is designed and manufactured in accordance with BS 4573 for testing plugs and socket outlets. It provides a standardized method to verify dimensional compliance and functional performance, ensuring plugs and socket outlets meet the required safety and quality levels.
For detailed information on BS 4573 testing, please refer to the latest edition of BS 4573.
Regular verification of gauge dimensions is recommended to maintain traceability.
Technical Inquiry for BS 4573 Plug Socket Gauge
KingPo specializes in electrical safety testing equipment. If you require precise BS 4573 plug socket gauges, our engineering team can provide technical support and configuration recommendations.
The Core Value We Deliver to You
- Complete set of precision gauges for BS 4573 compliance
- High-accuracy steel construction for reliable measurement
- Full coverage of critical test functions
- ISO 17025 calibration certificate available
- Durable design for long-term laboratory use
Tell us your test requirements โ our engineering team will reply with tailored recommendations within 24 hours.
Detail Display
BS 4573 Plug Socket Gauge FAQs
Related Products
Related News
1.Abstract & Technical Summary The KingPo IEC 62552 Refrigerator Test Chamber delivers industry-leading climate simulation chamber performance for energy consumption […]
For plastic insulation frames, given the high heat generated by the copper wires and iron core, if the flame retardant […]
The Defibrillation Immunity Testing Requirements for Active Implantable Medical Devices (AIMDs): Standards Breakdown, Visual Insights, and Recommendation for the KP-1050S […]
IP (Ingress Protection) ratings are enclosure protection standards developed by the International Electrotechnical Commission (IEC), primarily assessing the ability of […]
Shan Chao 1 , Qiang Xiaolong 2 , Liu jiming 3 , Zhang Chao 3 . (1. Heilongjiang Institute for […]

