



IEC 60601-1 Programmable Leakage Current Tester | Medical Electrical Safety Test Equipment
IEC 60601-1 Programmable Leakage Current Tester performs medical electrical safety testing with multiple leakage current modes.
- Standard Compliance: IEC60601-1, IEC61010-1, IEC60335-1, IEC60950-1, IEC60065, IEC60598-1, IEC60990 โ medical and household electrical safety testing
- Measurement Modes: AC, AC+DC, PEAK, DC โ four detection methods
- Current Ranges: 20 ฮผA / 200 ฮผA / 2 mA / 20 mA with programmable upper/lower limits
- Display: 5.6-inch TFT (640ร480) for clear setting and test parameters
- Data Storage: Excel format export via U-disk with software upgrade support
- Interfaces: RS232, PLC, optional LAN/RS485/USB and scan code gun
- Auxiliary Power: Built-in isolated supply for medical equipment testing
- MOQ: 1
- Delivery Period: 30 working days
Programmable Leakage Current Tester Description
IEC 60601 Programmable Leakage Current Tester | Medical Electrical Safety Test Equipment
The IEC 60601 Programmable Leakage Current Tester | Medical Electrical Safety Test Equipment is a high-precision, multi-standard safety tester manufactured by KingPo. It is designed for automated leakage current (touch current and protective conductor current) measurement on medical electrical equipment and other electrical products in accordance with IEC60601-1 and multiple related international safety standards.
Technical Parameters
| Parameter | Specification | Remark / Notes |
|---|---|---|
| Standard | IEC60601-1, IEC61010-1, IEC60335-1, IEC60950-1, IEC60065, IEC60598-1, IEC60990 | Multiple human body networks supported |
| Display | 5.6-inch TFT (640ร480) | Eye-catching and information-rich interface |
| Leakage Current Modes | AC, AC+DC, PEAK, DC | Four detection methods |
| Current Ranges | 20 ฮผA / 200 ฮผA / 2 mA / 20 mA | Programmable upper/lower limits |
| Voltage Range | 30.0 V โ 300.0 V | ยฑ(2% reading + 2 V) precision |
| Test Time | 0.0 or 0.3โ999.9 s | 0 = continuous test |
| Interval Time | 0.0โ999.9 s | 0 = interval off |
| Data Storage | Excel format via U-disk | Support for file conversion and scan code gun |
| Interfaces | RS232, PLC standard; optional LAN/RS485/USB | Easy integration into automated test systems |
| Power Supply | AC 220 V ยฑ10%, 50 Hz, 500 W | Single-phase laboratory power |
Professional Construction & Technical Precision
The tester features a compact, robust enclosure with a high-resolution 5.6-inch TFT color display for clear, real-time visualization of test parameters and results. Precision measurement circuits support four leakage current modes with dedicated human body impedance networks that accurately simulate physiological response. The internal high-isolation auxiliary power supply ensures safe testing of medical devices without external interference.
Programmable test sequences, multi-step file management and U-disk Excel export capability enable efficient data handling in production or laboratory environments. Safety features include keyboard lock to prevent unauthorized changes, automatic pass/fail judgment and comprehensive interface options (RS232, PLC, optional LAN/RS485/USB) for seamless integration into automated test lines. This combination of hardware precision and software flexibility delivers repeatable, traceable and audit-ready leakage current measurements.
Testing Principle
The instrument applies a test voltage (30โ300 V) to the equipment under test and measures the resulting leakage current flowing through simulated human body networks. Four detection modes (AC, AC+DC, PEAK, DC) are available to capture different leakage characteristics. The system automatically compares measured values against programmable upper and lower limits and records results for compliance evaluation.
Common Error Mitigation
To ensure repeatable and accurate results, always verify that the correct human body network is selected for the applicable standard and that test leads are securely connected with no stray capacitance. Regular calibration of voltage and current channels, together with verification of auxiliary power isolation, prevents measurement drift and ensures compliance data remains defensible during audits.
Primary Use Cases & Business Value
The IEC 60601- Programmable Leakage Current Tester is used for safety verification of medical electrical equipment during design validation, production line testing and third-party certification. It enables manufacturers to confirm compliance with stringent leakage current limits, reduce patient safety risks and accelerate regulatory approval for medical devices.
Industrial Applications & Lab Scenarios
- Medical device manufacturers โ production-line leakage current testing of patient-contact equipment per IEC60601-1
- Third-party certification laboratories โ traceable compliance testing according to IEC60601-1 and multiple household/medical safety standards
- R&D departments โ precise evaluation and optimization of insulation and grounding designs for new medical products
- Quality control teams โ high-throughput batch testing of electrical medical devices and household appliances
- Automated test system integrators โ integration via PLC/RS232/LAN interfaces for fully automated production safety testing
Strategic Procurement Advantages & Global Support
- High-Efficiency Testing: Featuring four leakage current modes, programmable multi-step sequences and 5.6-inch TFT display, this system delivers fast, repeatable medical safety test results with minimal operator intervention.
- Certified Manufacturing: As an ISO 9001/14001/45001 and CE certified manufacturer with SGS, PSE, and RoHS credentials, KingPo ensures that every tester is built to the highest international quality benchmarks.
- Reliability & Support: Each unit undergoes rigorous factory calibration in our Dongguan facility and is backed by a full one-year warranty, on-site installation guidance, and lifetime technical engineering support to ensure long-term laboratory ROI.
Compliance & Regulatory Assurance
This equipment is designed and manufactured in accordance with IEC60601-1 and multiple related standards (IEC61010-1, IEC60335-1, IEC60950-1, IEC60065, IEC60598-1, IEC60990) for leakage current testing of medical and household electrical equipment. It provides a standardized, traceable method to measure touch current and protective conductor current, ensuring products meet the required patient and user safety levels.
For detailed information on IEC60601-1 leakage current testing, please refer to the latest edition of IEC60601-1. Regular verification of measurement circuits and human body networks is recommended to maintain traceability.
Technical Inquiry for IEC 60601 Programmable Leakage Current Tester
KingPo specializes in electrical safety testing equipment. If you require precise IEC60601-1 leakage current testing for medical devices, our engineering team can provide technical support and configuration recommendations.
The Core Value We Deliver to You
- Four leakage current modes (AC / AC+DC / PEAK / DC) with programmable limits
- 5.6-inch TFT display and U-disk Excel data export
- Built-in auxiliary power supply for medical equipment testing
- Multiple interfaces including RS232, PLC and optional LAN/RS485/USB
- Keyboard lock and multi-step file management for production efficiency
Tell us your medical device type or specific leakage current requirements โ our engineering team will reply with tailored recommendations within 24 hours.
Related Category
| Category | Item | Specifications |
|---|---|---|
| Model | Model No. | CS9975-SIW |
| Leakage Current Parameters | Test Voltage Range | 30.0V๏ฝ300.0V |
| Voltage Precision | ยฑ(2% reading + 2V) | |
| Voltage Resolution | 0.1V | |
| Max External Isolated Power Supply | 6000VA | |
| Current Gears | 20ฮผA, 200ฮผA, 2mA, 20mA | |
| Detection Method | AC, RMS, PEAK, DC | |
| Current Upper Limit Setting Range | 0.1ฮผA๏ฝ20.00mA | |
| Current Lower Limit Setting Range | 0.0ฮผA ๏ฝ Pre-set upper current limit | |
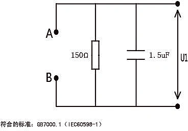
| Applicable Safety Standards | GB9706.1(IEC60601-1)
GB4793.1(IEC61010-1) GB4706.1(IEC60335-1) GB4943.1(IEC60950-1) GB8898(IEC60065) GB7000.1(IEC60598-1) GB/T12113(IEC60990) |
|
| Voltage Rise Time | Non-adjustable | |
| Test Duration Range | (0.3๏ฝ999.9)s; 0 = continuous continuous test mode | |
| Test Interval Range | (0.0๏ฝ999.9)s; 0 = interval function disabled | |
| Leakage Current Meter | Measuring Current Range | 0.0ฮผA ๏ฝ 20.00 mA |
| Current Resolution | 20ฮผA range: 0.1ฮผA
200ฮผA range: 0.1ฮผA 2mA range: 1ฮผA 20mA range: 10ฮผA |
|
| Measurement Accuracy | ||
| AC Accuracy | Iโฅ5 ฮผA: ยฑ(2%rdg+0.5%fs)
Iโฅ50 ฮผA: ยฑ(2%rdg+0.5%fs) |
|
| DC Accuracy | Iโฅ5 ฮผA: ยฑ(2%rdg+0.5%fs)
Iโฅ50 ฮผA: ยฑ(2%rdg+0.5%fs) |
|
| AC+DC Accuracy | Iโฅ5 ฮผA: ยฑ(2%rdg+0.5%fs)
Iโฅ50 ฮผA: ยฑ(2%rdg+0.5%fs) |
|
| PEAK Accuracy | Iโฅ50 ฮผA: ยฑ(2%rdg+2%fs) | |
| Leakage Voltage Meter | Voltage Measuring Range | 30.0V๏ฝ300.0V |
| Voltage Precision | ยฑ(2% reading + 2V) | |
| Voltage Resolution | 0.1V | |
| Display Mode | Root Mean Square (RMS) value | |
| Timing Function | Timing Range | 0๏ฝ999.9s |
| Timing Resolution | 0.1s | |
| Timing Precision | ยฑ(1% reading + 50ms) | |
| System & Storage | Memory Groups | 30 groups |
| Max Test Steps per Group | 99 steps | |
| Power Supply | Working Input Voltage | 220Vยฑ10%, 50Hz |
| File Function | USB Memory File Import & Export | Supported |
| Export Test Data to USB Flash Drive | Supported | |
| Communication Interface | Standard Interfaces | RS232 interface, PLC interface |
Detail Display
Programmable Leakage Current Tester FAQs
Related Products
Related News
Abstract & Technical Summary Per BS 1362:1973+A3:2021 general purpose fuse links specification, BS 1363-1:2023 13 A rewirable and non-rewirable fused […]
Essential equipment for residual voltage testing under IEC 60601-1, IEC 60335-1, IEC 61010-1, IEC 62368-1 and similar safety standards. 1. […]
Conflict of interest disclosure: This is a firstโparty, engineeringโstyle review of the Kingpo KPโ8850 ESU analyzer. We aim to be […]
Shan Chao 1 , Qiang Xiaolong 2 , Liu jiming 3 , Zhang Chao 3 . (1. Heilongjiang Institute for […]



