




Qi-v1.3 FOD Reference Foreign Object โ Foreign Object Detection Test Tool for Wireless Charging
Qi-v1.3 FOD Reference Foreign Object is a standardized test object for verifying foreign object detection performance in wireless charging systems, ensuring compliance with Qi-v1.3 standard.
- Standard Compliance: Qi-v1.3 โ Direct reference for FOD testing in wireless charging
- Precise Reference Design: Accurate geometry and material to simulate real foreign objects
- High Repeatability: Consistent test results for reliable Qi-v1.3 FOD validation
- Durable Construction: Robust material for frequent lab and certification use
- MOQ: 1
- Price: To be quoted
- Standard Packaging: Safety protective case or carton
- Delivery Period: 15 days typical
- Payment Method: T/T
- Supply Capacity: 10000 units/month
Qi-v1.3 FOD Test Description
Qi-v1.3 FOD Reference Foreign Object โ Wireless Charging Detection Test Tool
The Qi-v1.3 FOD Reference Foreign Object is a standardized reference test object manufactured by KingPo, specifically designed to verify the foreign object detection (FOD) performance of wireless charging transmitters. Fully compliant with the Qi-v1.3 specification, this reference object simulates typical metal or high-loss foreign objects that could cause excessive heating during charging, allowing manufacturers, testing labs and certification bodies to confirm FOD detection thresholds, power rollback and thermal protection.
In Qi-v1.3 compatible wireless charging products (phones, earbuds, power banks, automotive chargers, wearables), undetected foreign objects (coins, keys, foil) can lead to dangerous overheating, fire risk or efficiency loss. The KINGPO Qi-v1.3 FOD Reference Foreign Object provides a repeatable, precise test piece to evaluate FOD system reliability and safety, ensuring full compliance with Qi-v1.3 and related wireless charging standards.
This reference object features accurate geometry, material properties and durability, delivering consistent test results for CE, UL, CB Scheme, CCC and Qi certification processes.
Qi-v1.3-FOD Reference Foreign Object
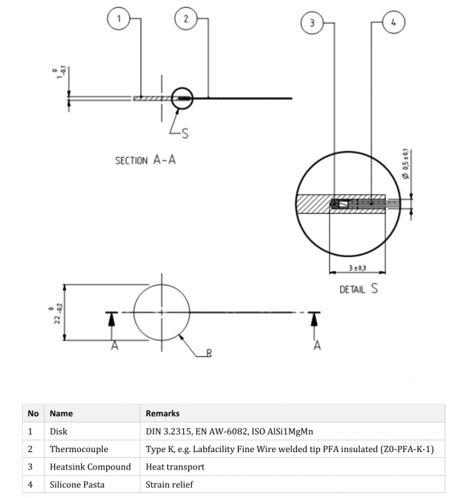
Annex A Reference Foreign Object construction (normative)
A.1 Reference Foreign Object #1 (RFO#1)




Core Role & Purpose
The Qi-v1.3 FOD Reference Foreign Object is used to:
- Verify foreign object detection sensitivity and response time
- Test power reduction or shutdown when foreign objects are present
- Confirm compliance with Qi-v1.3 FOD requirements
- Evaluate thermal safety and efficiency under simulated interference
It replicates real-world foreign object scenarios, ensuring charger safety.
Professional Construction & Technical Precision
Key features include:
- Design: Qi-v1.3 standard reference foreign object geometry and material
- Material: High-loss or metallic composition for accurate heating simulation
- Repeatability: Consistent size and properties for reliable test-to-test results
- Durability: Robust construction for frequent lab and certification use
- Compatibility: Works with Qi-v1.3 transmitters and test setups
These ensure precise, repeatable FOD performance validation.
Primary Use Cases & Business Value
The reference object supports key stages:
- R&D FOD Validation โ Test transmitter detection algorithms and thermal rollback in new designs
- Certification Reporting โ Labs generate data for Qi-v1.3, CE, UL, CB Scheme, CCC submissions
- Production QC โ Manufacturers verify FOD consistency in batch production
- Failure Analysis โ Investigate FOD-related heating or shutdown issues in returned products
It helps deliver safe wireless chargers, reduce field risks and accelerate Qi-v1.3 certification.
Compliance & Regulatory Assurance
Fully compliant with Qi-v1.3 foreign object detection requirements. Aligned with CE, UL, CB Scheme, CCC for wireless charging devices. Regular inspection recommended.
Qi-v1.3 FOD Test Technical
| Parameter | Specification |
|---|---|
| Model Number | KP-QIV13 |
| Standard | Qi-v1.3 |
| Material | High-loss reference material (per Qi-v1.3 spec) |
| Design | Standardized foreign object geometry |
| Application | FOD detection and thermal safety testing |
| Certifications | ISO9001, CE |
| MOQ | 1 unit |
| Price | To be quoted |
| Standard Packaging | Safety protective case or carton |
| Delivery Period | 15 days typical |
| Payment Method | T/T |
| Supply Capacity | 10000 units/month |
| Warranty | 1 year |
| Origin | China (KingPo manufacturer) |
Get Free Quote for Qi-v1.3 FOD Test Reference Foreign Object
We provide high-precision Qi-v1.3 FOD Test Reference Foreign Object direct from KingPo factory, ensuring reliable wireless charging FOD testing.
The Core Value We Deliver to You
- Exact Qi-v1.3 compliance โ Standardized foreign object simulation
- High Repeatability โ Accurate geometry and material for consistent results
- Factory Advantages โ MOQ 1 unit, 15-day delivery, 1-year warranty, ISO9001 & CE
- Complete Testing Support โ Pair with our Qi test series for full FOD checks
- Faster Certification โ Identify FOD risks early, reduce failures
Take Action Now โ Submit inquiry in 30 seconds for best price, stock status, and technical support within 24 hours!
Qi-v1.3 FOD Test Applications
- Wireless Charging Manufacturers โ Qi-v1.3 FOD performance validation
- Consumer Electronics โ Phones, earbuds, wearables, power banks
- Automotive & Industrial โ In-vehicle chargers, industrial wireless systems
- Certification Labs & QA โ Qi-v1.3 compliance and safety testing
- Global Safety Certifications โ Supports CE, UL, CB Scheme, CCC by verifying FOD safety
Qi-v1.3 FOD Details
Qi-v1.3 FOD FAQs
Related Products
Related News
Dongguan, China โ 10 25, 2024 โ In a significant advancement for food safety technology, Chao Zhang (also known as […]
For plastic insulation frames, given the high heat generated by the copper wires and iron core, if the flame retardant […]
The IEC 60695 series, titled Fire Hazard Testing, forms a comprehensive framework developed by the International Electrotechnical Commission (IEC) to […]
Abstract Thermage, a non-invasive radiofrequency (RF) skin tightening technology, is widely used in medical aesthetics. With operating frequencies increasing to […]