









Wireless Power Test Equipment with J-Type Thermocouple for Thermal Safety Testing
Wireless Power Test Equipment with J-Type Thermocouple is engineered to monitor temperature during wireless charging, verifying thermal safety and compliance for transmitters per IEC 62368-1.
- Standard Compliance: IEC 62368-1 Edition 3 โ Direct reference for wireless power thermal testing
- J-Type Thermocouple: High-accuracy probe for precise hotspot and surface measurement
- Real-Time Monitoring: Stable data logging and multi-point tracking for reliable results
- Durable Build: Robust enclosure and components for long-term lab reliability
- MOQ: 1
- Price: To be quoted
- Standard Packaging: Safety carton or plywood box
- Delivery Period: 15 days typical
- Payment Method: T/T
- Supply Capacity: 100 units/month
IEC 62368-1 Clause 9.6.2 Wireless Charging Foreign Object Temperature Rise Test KitDescription
Wireless Power Test Equipment โ IEC 62368-1 Thermal Safety Tester with J-Type Thermocouple
The Wireless Power Test Equipment with J-Type Thermocouple is a specialized thermal monitoring system manufactured by KingPo, designed to evaluate heat generation and thermal safety of wireless power transmitters during charging. Compliant with IEC 62368-1 Edition 3, this equipment uses high-accuracy J-Type thermocouples to measure surface temperatures, internal hotspots, and ambient conditions in real time, ensuring no excessive heat buildup that could cause fire, component damage, or safety hazards.
In wireless charging products (phones, earbuds, wearables, power banks, automotive chargers), thermal management is critical to prevent overheating. The KINGPO Wireless Power Test Equipment simulates charging scenarios while logging temperature data with J-Type probes, providing manufacturers, testing labs, and certification bodies with reliable evidence of thermal compliance.
This J-Type Thermocouple Test system features precise probe placement, stable test conditions, and durable construction, delivering repeatable, certification-grade results for global safety standards (CE, UL, CB Scheme, CCC).
ย Core Role & Purpose
The Wireless Power Test monitors temperature during charging to check:
- Surface and hotspot temperatures under load
- Compliance with IEC 62368-1 thermal limits
- No thermal runaway or hazardous heat accumulation
- Safe operation during normal and fault conditions
It simulates real charging heat, ensuring transmitter safety.
Professional Construction & Technical Precision
Key features include:
- J-Type Thermocouple: High-accuracy probe (ยฑ1.1ยฐC tolerance)
- Temperature Range: Wide coverage for charging hotspots
- Data Logging: Real-time recording of multiple points
- Test Chamber: Stable environment for consistent results
- Safety: Over-temperature protection and emergency stop
These ensure reliable thermal safety testing for wireless power devices.
Primary Use Cases & Business Value
The equipment supports key stages:
- R&D Thermal Validation โ Test transmitter designs for heat distribution and cooling.
- Certification Reporting โ Labs generate data for CE, UL, CB Scheme, CCC submissions.
- Production QC โ Manufacturers verify batch thermal performance.
- Failure Analysis โ Investigate overheating defects in returned products.
It helps deliver safe wireless charging products, shorten certification timelines, and reduce quality risks.
Compliance & Regulatory Assurance
Fully compliant with IEC 62368-1 Edition 3 wireless power thermal requirements. Aligned with CE, UL, CB Scheme, CCC for wireless charging devices. Regular calibration recommended.
| According to | IECย 62368-1-clause9.6 |
| Insulating boardย Thickness | 2mm and 5mm(2mm+3mm) |
| Insulating boardย heat resistant | 200โ |
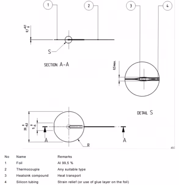
| Thermocoupleย model | TT-J-36-SLE |


WPC defined metal objects that can be placed between Qi wireless transmitters and receivers and used to evaluate the FOD operation and performance.
FEATURES
โข Centered Aluminum Disc foreign object specified by WPC V1.2
โข Mounted in PEEK high temp plastic frame
โข Includes J-type thermocouples and connectors
โข Adjustable alignment fixture with 5mm graduations included for aligning
TPR#5 coil holder and AVIDโs Low and Medium Power FOD Receiver coil
holder
TEST MODES
โข Can be used to run WPC thermal compliance tests for FOD
โข Can be used to help characterize and adjust FOD detection algorithms
and thresholds for V1.2 and newer transmitters



direct contact with the transmitter and then powering up transmitter. The four cycles of Part A are then repeated.
During the tests of both part A and part B:
โย the temperature of the foreign object shall not exceed 85ย โย for the steel disk, 120ย โfor the aluminium ring and 155ย โย for aluminium foil; and
โย the temperature of the transmitter shall not exceed the TS2 limits specified in Table 37.

IEC 62368-1 Clause 9.6.2 Wireless Charging Foreign Object Temperature Rise Test KitTechnical
| Parameter | Specification |
|---|---|
| Model Number | IEC62368-Wireless-Power-Test |
| Thermocouple Type | J-Type (high accuracy) |
| Temperature Range | Ambient to 150ยฐC+ (per standard) |
| Accuracy | ยฑ1.1ยฐC (J-Type standard) |
| Data Logging | Real-time multi-point recording |
| Certifications | ISO9001, CE |
| MOQ | 1 unit |
| Price | To be quoted |
| Standard Packaging | Safety carton or plywood box |
| Delivery Period | 15 days typical |
| Payment Method | T/T |
| Supply Capacity | 100 units/month |
| Warranty | 1 year |
| Origin | China (KingPo manufacturer) |
Get Free Quote forIEC 62368-1 Clause 9.6.2 Wireless Charging Foreign Object Temperature Rise Test Kit
We provide high-precision Wireless Power Test Equipment with J-Type Thermocouple direct from KingPo factory, ensuring reliable thermal safety testing for wireless charging.
The Core Value We Deliver to You
- Exact IEC 62368 Edition 3 compliance โ Precise J-Type temperature monitoring
- High Accuracy & Reliability โ Stable test conditions for repeatable results
- Factory Advantages โ MOQ 1 unit, 15-day delivery, 1-year warranty, ISO9001 & CE
- Complete Testing Support โ Pair with our IEC 62368 series for full wireless checks
- Faster Certification โ Identify thermal risks early, reduce failures
Take Action Now โ Submit inquiry in 30 seconds for best price, stock status, and technical support within 24 hours!
IEC 62368-1 Clause 9.6.2 Wireless Charging Foreign Object Temperature Rise Test Kit Applications
- Wireless Charging Manufacturers โ Transmitters for phones, earbuds, wearables
- IT & Consumer Electronics โ Power banks, automotive chargers, Qi-compatible devices
- Certification Labs & QA โ IEC 62368-1 Edition 3 thermal compliance testing
- Global Safety Certifications โ Supports CE, UL, CB Scheme, CCC by verifying heat safety
- Related Scenarios โ Surface/hotspot temperature monitoring during charging
Detail Display
Wireless Power Test FAQs
Related Products
Related News
Key Takeaways IEC 60695 series standardizes fire hazard testing for electrotechnical products using glow-wire (GWEPT/GWFI/GWIT), needle flame, and 50W/500W horizontal/vertical […]
Conflict of interest disclosure: This is a firstโparty, engineeringโstyle review of the Kingpo KPโ8850 ESU analyzer. We aim to be […]